菜单
您现在的位置:首页>业绩展示
京博新能源(淄博)有限公司第二百八十八加油站 第二百八十八加油站经营危险化学品安全评价报告

单位名称

京博新能源(淄博)有限公司第二百八十八加油站

项目名称

第二百八十八加油站经营危险化学品安全评价报告

项目简介

京博新能源(淄博)有限公司第二百八十八加油站成立于2022年5月10日,该站主要负责人柳传智营业场所位于山东省淄博市淄川区洪山镇东省村聊斋路涧北桥北首。

该加油站在经营过程中涉及的汽油、柴油为危险化学品,该加油站属于危险化学品储存经营单位。

该加油站现有4台油罐,其中2台30m³汽油罐,2台30m³柴油罐,加油站等级为三级;设4台双枪单油品自吸式加油机

该站《危险化学品经营许可证》有效期为2022年4月16日至2025年4月15日,根据《中华人民共和国安全生产法》、《危险化学品安全生产管理条例》、《山东省安全生产条例》等法规要求,受中国石油天然气股份有限公司山东淄博销售分公司委托,山东齐信安全评价有限公司承担了京博新能源(淄博)有限公司第二百八十八加油站的安全评价工作。

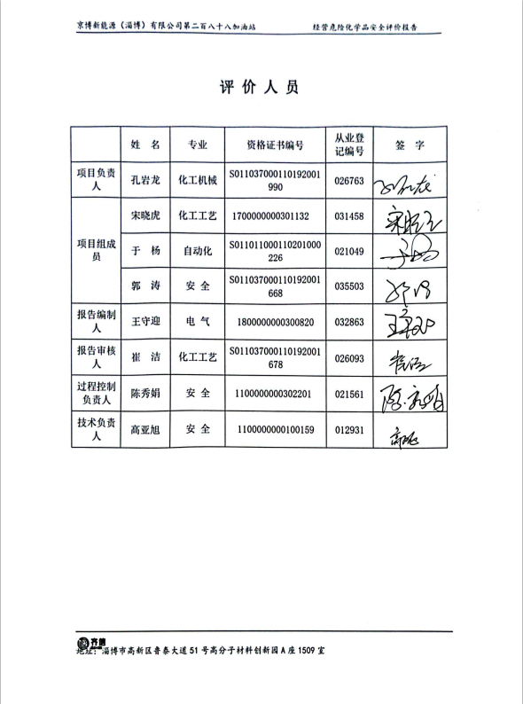
评价人员

类别

姓名

安评师资格证号

项目负责人

孔岩龙

S011037000110192001990

项目组成员

宋晓虎

1700000000301132 

于  杨

S011011000110201000226

郭  涛

S011037000110192001668

项目编制人

王守迎

1800000000300820

项目审核人

崔  洁

S011037000110192001678

过程控制负责人

陈秀娟

 1100000000302201 

技术负责人

高亚旭

1100000000100159

技术专家

姓名

专业

职称或资格




现场勘查人员

孔岩龙、王守迎

报告提交时间

2024年12月16日

报告结论

评价组认为:京博新能源(淄博)有限公司第二百八十八加油站项目在现有设备设施及管理条件下经营汽油、柴油符合安全要求。

image.pngimage.pngimage.png企业微信截图_17346775547585.png